Поиск
Вход

Подшипниковый узел UCP213 TECHNIX, арт: UCP213TECHNIX

Артикул: 128678
Характеристики
  • Тип UCP
  • Производитель TECHNIX
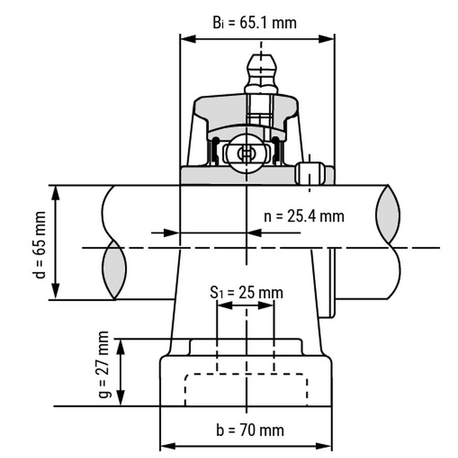
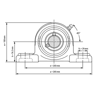
  • Высота h, мм 76,2
  • Bi, мм 65,1
  • n, мм 25,4
  • e, мм 203
  • Диаметр внутреннего отверстия d, мм 65
  • a, мм 265
  • b, мм 70
Все характеристики
Цена с НДС
5 794.00 шт
11 в наличии. Если нужно больше, укажите в комментарии к заказу
Бесплатная доставка от 1 дня
Юр. лица от 15 000 руб. до 100 кг
Физ. лица от 15 000 руб. до 10 кг
+ 116 бонусов
Начислим за покупку товара
Подробные условия
В корзину
Нашли дешевле?
Преимущества заказа с сайта
5 794.00
В корзину
Описание и характеристики
Отзывы (0)
Другие размеры
Как купить?
Доставка и оплата
Статьи по теме
Узел подшипниковый UCP-213 выдерживает высокие радиальные нагрузки. Подшипниковые узлы серии UCP самоцентрирующиеся и имеют возможность применения консистентной смазки. Корпус чугунный, подшипник стальной.
Бренд: TECHNIX
Китай - Родина бренда
Китай - Родина бренда
Китай - Страна производитель
Китай - Страна производитель
Размер товара
  • Вес, г 5170
Характеристики
  • Тип UCP
  • Производитель TECHNIX
  • Высота h, мм 76,2
  • Bi, мм 65,1
  • n, мм 25,4
  • e, мм 203
  • Диаметр внутреннего отверстия d, мм 65
  • a, мм 265
  • b, мм 70
  • g, мм 27
  • Страна производства Китай
Отзывы к товару
Будьте первым, напишите отзыв
Написать отзыв

Как купить Подшипниковый узел UCP213 TECHNIX?

Для того чтобы заказать и купить выбранный вами товар, найдите его в каталоге инструмента, укажите его количество и щелкните на кнопку «Добавить в корзину»
Перейти в пункт меню «Ваша корзина» и заполнить небольшую форму заказа.
На вашу электронную почту придет письмо, о том что ваша заявка принята. Статусы заказа можете отслеживать в личном кабинете.

Доставка инструмента Подшипниковый узел UCP213 TECHNIX

Заказанный в нашей компании инструмент доставляется практически в любой город России с помощью транспортных компаний. Подробнее о доставке.

Оплата возможна через:

Оплата картой
Оплата по счету
Оплата по QR-коду
Похожие товары
Подшипниковый узел UCP204 TECHNIX
Предпросмотр
Подшипниковый узел UCP205 TECHNIX
Предпросмотр
Подшипниковый узел UCP206 TECHNIX
Предпросмотр
Подшипниковый узел UCP207 TECHNIX
Предпросмотр
Подшипниковый узел UCP208 TECHNIX
Предпросмотр
Подшипниковый узел UCP209 TECHNIX
Предпросмотр
Подшипниковый узел UCP211 TECHNIX
Предпросмотр
Подшипниковый узел UCP212 TECHNIX
Предпросмотр
Подшипниковый узел UCP214 TECHNIX
Предпросмотр
7 214.00
Срок 30 дней
Подшипниковый узел UCP214 TECHNIX
128781
Подшипниковый узел UCP216 TECHNIX
Предпросмотр
Подшипниковый узел UCP210 TECHNIX
Предпросмотр
2 553.00
Нет на складе
Подшипниковый узел UCP210 TECHNIX
128596
Подшипниковый узел UCP215 TECHNIX
Предпросмотр
7 947.00
Нет на складе
Подшипниковый узел UCP215 TECHNIX
128704
Подшипниковый узел UCP218 TECHNIX
Предпросмотр
13 676.00
Нет на складе
Подшипниковый узел UCP218 TECHNIX
128672
Хочу заказать
Фото товара Подшипниковый узел UCP213 TECHNIX
Подшипниковый узел UCP213 TECHNIX
Код товара
128678
Вес
5 170 г
-
+
5 794.00
5 794.00 ₽ / шт
Ваш отзыв на товар
О чем написать?

О чем написать в отзыве?

  • Почему вам понравился или не понравился товар
  • Выполняет ли он заявленные функции
  • Стоит ли товар своих денег
  • Как вы применяете товар
  • Столкнулись ли вы с проблемами при эксплуатации
Фото товара Подшипниковый узел UCP213 TECHNIX
Подшипниковый узел UCP213 TECHNIX
Код товара
128678
Вес
5 170 г
Ваша оценка
Фон формы подбора инструмента
Не нашли нужной позиции в каталоге?
Мы готовы изготовить и поставить уникальные виды инструмента специально под ваш заказ!
Брянск
Войти или зарегистрироваться
Быстрая заявка
Успешно
Ваш запрос отправлен.
Покупайте через корзину сайта:
Бесплатная доставка
1. Для организаций (до 100 кг)
2. Для физ. лиц от 4 000 р. (до 10 кг.)
Автоматический счёт на оплату
Начисление баллов
Оплата до 50% стоимости заказа
Продолжить покупки
Выбор города
Доставляем по всей России
Войти или создать профиль
Войти с Яндекс ID
ИЛИ
У меня есть пароль
Используем cookie и рекомендательные технологии, чтобы сайт был удобнее
Согласен