Поиск
Вход

Подшипниковый узел UCF206 TECHNIX, арт: UCF206TECHNIX

Артикул: 128579
Характеристики
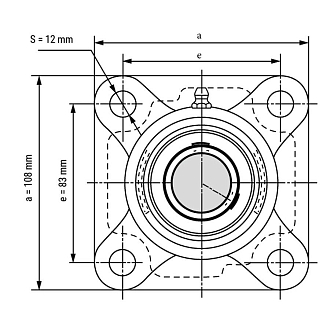
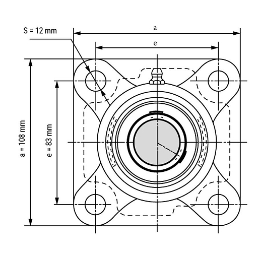
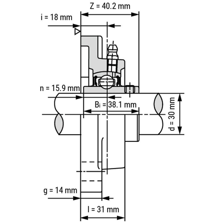
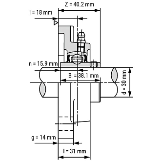
  • Тип UCF
  • Производитель TECHNIX
  • Bi, мм 38,1
  • n, мм 15,9
  • e, мм 83
  • Диаметр внутреннего отверстия d, мм 30
  • a, мм 108
  • g, мм 14
  • Страна производства Китай
Все характеристики
Цена с НДС
1 173.00 шт
598 в наличии. Если нужно больше, укажите в комментарии к заказу
Бесплатная доставка от 1 дня
Юр. лица от 15 000 руб. до 100 кг
Физ. лица от 15 000 руб. до 10 кг
+ 24 бонуса
Начислим за покупку товара
Подробные условия
В корзину
Нашли дешевле?
Преимущества заказа с сайта
1 173.00
В корзину
Описание и характеристики
Отзывы (0)
Другие размеры
Как купить?
Доставка и оплата
Статьи по теме
Подшипниковый узел UCF-206 состоит из фланцевого корпуса F206 и подшипника UC206. Узлы серии UСF имеют квадратную форму фланца. Опорная поверхность идёт строго перпендикулярно оси вращения самого подшипника. Узел крепится к валу тремя способами: двумя винтами, зажимной втулкой или кольцом с эксцентриком. Через специальное устройство – нипель – можно производить смазку. Корпус чугунный, подшипник стальной. ОСОБЕННОСТИ КОНСТРУКЦИИ Конструктивно корпусный подшипник UCF206 представляет собой шариковый радиальный подшипник марки UC206, размещенный внутри квадратного фланцевого корпуса. Его опорная плоскость выполнена с высокой точностью и располагается строго перпендикулярно оси вращения подшипника (и, как следствие – вала). Сам корпус имеет 4 технологических отверстия, равноудаленных от центра. Благодаря им узел может быть зафиксирован при помощи болтов в любом необходимом месте. Это свойство позволяет монтировать его на агрегаты, изначально не имеющие посадочных гнезд. Закрепление подшипника на валу осуществляется 3 различными способами: кольцом с эксцентриком, парой винтов либо зажимной втулкой. Для увеличения срока службы и уменьшения износа в ходе эксплуатации, в конструкции подшипникового узла UCF206 предусмотрен элемент для подачи вторичной смазки в виде встроенной пресс-масленки. Она располагается на боковой части корпуса и может быть использована с различными типами консистентных масел. Подшипниковые узлы UCF206 сохраняют свою работоспособность даже при высоких нагрузках, в том числе: статических – до 10,7 кН, динамических – до 18,52 кН. ПРИМЕНЕНИЕ В силу своей универсальности, узел применяется в: • станочном оборудовании (металло- и деревообрабатывающем, текстильном); • сельскохозяйственных машинах и агрегатах; • производственных и сборочных линиях; • конвейерах различного назначения. Компания-производитель Technix предлагает купить подшипниковый узел UCF206 в СПб и с доставкой во все регионы страны.
Бренд: TECHNIX
Китай - Родина бренда
Китай - Родина бренда
Китай - Страна производитель
Китай - Страна производитель
Размер товара
  • Вес, г 930
Характеристики
  • Тип UCF
  • Производитель TECHNIX
  • Bi, мм 38,1
  • n, мм 15,9
  • e, мм 83
  • Диаметр внутреннего отверстия d, мм 30
  • a, мм 108
  • g, мм 14
  • Страна производства Китай
Отзывы к товару
Будьте первым, напишите отзыв
Написать отзыв

Как купить Подшипниковый узел UCF206 TECHNIX?

Для того чтобы заказать и купить выбранный вами товар, найдите его в каталоге инструмента, укажите его количество и щелкните на кнопку «Добавить в корзину»
Перейти в пункт меню «Ваша корзина» и заполнить небольшую форму заказа.
На вашу электронную почту придет письмо, о том что ваша заявка принята. Статусы заказа можете отслеживать в личном кабинете.

Доставка инструмента Подшипниковый узел UCF206 TECHNIX

Заказанный в нашей компании инструмент доставляется практически в любой город России с помощью транспортных компаний. Подробнее о доставке.

Оплата возможна через:

Оплата картой
Оплата по счету
Оплата по QR-коду
Похожие товары
Подшипниковый узел UCF204 TECHNIX
Предпросмотр
Подшипниковый узел UCF205 TECHNIX
Предпросмотр
Подшипниковый узел UCF207 TECHNIX
Предпросмотр
Подшипниковый узел UCF208 TECHNIX
Предпросмотр
Подшипниковый узел UCF210 TECHNIX
Предпросмотр
Подшипниковый узел UCF211 TECHNIX
Предпросмотр
Подшипниковый узел UCF213 TECHNIX
Предпросмотр
Подшипниковый узел UCF214 TECHNIX
Предпросмотр
6 505.00
Срок 30 дней
Подшипниковый узел UCF214 TECHNIX
128779
Подшипниковый узел UCF216 TECHNIX
Предпросмотр
Подшипниковый узел UCF218 TECHNIX
Предпросмотр
Подшипниковый узел UCF209 TECHNIX
Предпросмотр
2 301.00
Нет на складе
Подшипниковый узел UCF209 TECHNIX
128587
Подшипниковый узел UCF212 TECHNIX
Предпросмотр
4 644.00
Нет на складе
Подшипниковый узел UCF212 TECHNIX
128660
Хочу заказать
Фото товара Подшипниковый узел UCF206 TECHNIX
Подшипниковый узел UCF206 TECHNIX
Код товара
128579
Вес
930 г
-
+
1 173.00
1 173.00 ₽ / шт
Ваш отзыв на товар
О чем написать?

О чем написать в отзыве?

  • Почему вам понравился или не понравился товар
  • Выполняет ли он заявленные функции
  • Стоит ли товар своих денег
  • Как вы применяете товар
  • Столкнулись ли вы с проблемами при эксплуатации
Фото товара Подшипниковый узел UCF206 TECHNIX
Подшипниковый узел UCF206 TECHNIX
Код товара
128579
Вес
930 г
Ваша оценка
Фон формы подбора инструмента
Не нашли нужной позиции в каталоге?
Мы готовы изготовить и поставить уникальные виды инструмента специально под ваш заказ!
Брянск
Войти или зарегистрироваться
Быстрая заявка
Успешно
Ваш запрос отправлен.
Покупайте через корзину сайта:
Бесплатная доставка
1. Для организаций (до 100 кг)
2. Для физ. лиц от 4 000 р. (до 10 кг.)
Автоматический счёт на оплату
Начисление баллов
Оплата до 50% стоимости заказа
Продолжить покупки
Выбор города
Доставляем по всей России
Войти или создать профиль
Войти с Яндекс ID
ИЛИ
У меня есть пароль
Используем cookie и рекомендательные технологии, чтобы сайт был удобнее
Согласен