Поиск
Вход

Подшипниковый узел UCP204 TECHNIX, арт: UCP204TECHNIX

Артикул: 128575
Характеристики
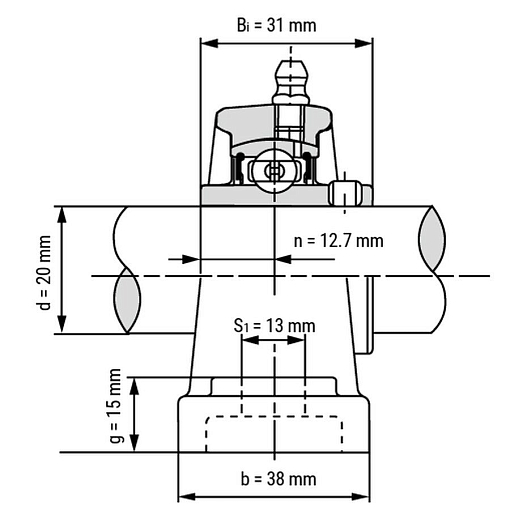
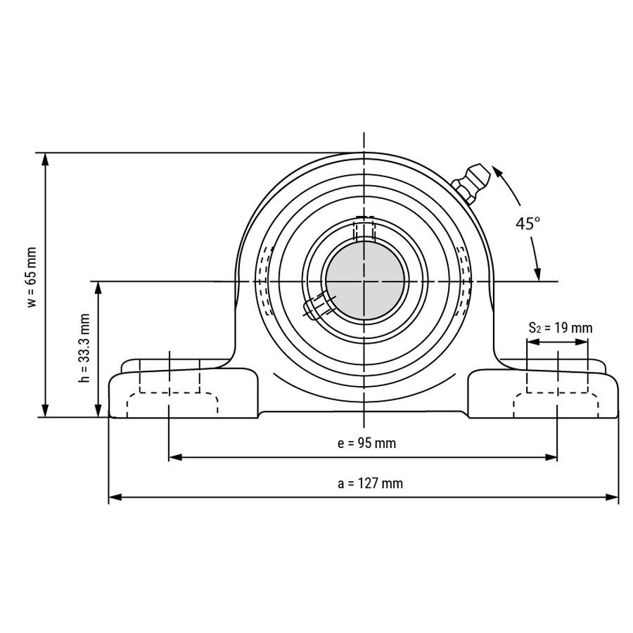
  • Тип UCP
  • Производитель TECHNIX
  • Высота h, мм 33,3
  • Bi, мм 31,0
  • n, мм 12,7
  • e, мм 96
  • Диаметр внутреннего отверстия d, мм 20
  • a, мм 127
  • b, мм 38
Все характеристики
Цена с НДС
1 005.00 шт
1 в наличии. Если нужно больше, укажите в комментарии к заказу
Бесплатная доставка от 1 дня
Юр. лица от 15 000 руб. до 100 кг
Физ. лица от 15 000 руб. до 10 кг
+ 21 бонус
Начислим за покупку товара
Подробные условия
В корзину
Нашли дешевле?
Преимущества заказа с сайта
1 005.00
В корзину
Описание и характеристики
Отзывы (0)
Другие размеры
Как купить?
Доставка и оплата
Статьи по теме
Узел подшипниковый UCP-204 выдерживает высокие радиальные нагрузки. Подшипниковые узлы серии UCP самоцентрирующиеся и имеют возможность применения консистентной смазки. Корпус чугунный, подшипник стальной. ОСОБЕННОСТИ КОНСТРУКЦИИ Подшипниковый узел UCP204 представляет собой литой корпус из серого чугуна с размещенным в нем шариковым подшипником. Оси вращения выполнены строго перпендикулярно опорной плоскости основания, благодаря чему установка валов может производиться без дополнительной подгонки. Закрепление последних во внутренней обойме выполняется болтовым соединением. Монтаж самого подшипникового узла UCP204 на агрегатах осуществляется при помощи пары технологических отверстий, расположенных на выступающих лапах, что позволяет размещать его в местах, изначально не имеющих посадочных гнезд. Для увеличения срока службы устройства и уменьшения трения при работе предусмотрена система подачи консистентной смазки через тавотницу, находящуюся в верхней части корпуса под углом 45° к основанию. ПРИМЕНЕНИЕ Из-за своей надежности и продолжительного срока службы подшипник корпусный UCP204 широко применяется в различных сферах, в том числе в: • дерево- и металлообрабатывающих станках; • конвейерах; • упаковочных машинах; • оборудовании для легкой промышленности; • производственных и сборочных линиях; • сельскохозяйственных машинах и агрегатах. Компания Technix предлагает купить подшипниковый узел UCP204 напрямую от производителя в Санкт-Петербурге или с доставкой в любой другой город России. Мы реализуем промышленные комплектующие по оптимальным ценам и в нужном вам количестве.
Бренд: TECHNIX
Китай - Родина бренда
Китай - Родина бренда
Китай - Страна производитель
Китай - Страна производитель
Размер товара
  • Вес, г 610
Характеристики
  • Тип UCP
  • Производитель TECHNIX
  • Высота h, мм 33,3
  • Bi, мм 31,0
  • n, мм 12,7
  • e, мм 96
  • Диаметр внутреннего отверстия d, мм 20
  • a, мм 127
  • b, мм 38
  • g, мм 15
  • Страна производства Китай
Отзывы к товару
Будьте первым, напишите отзыв
Написать отзыв

Как купить Подшипниковый узел UCP204 TECHNIX?

Для того чтобы заказать и купить выбранный вами товар, найдите его в каталоге инструмента, укажите его количество и щелкните на кнопку «Добавить в корзину»
Перейти в пункт меню «Ваша корзина» и заполнить небольшую форму заказа.
На вашу электронную почту придет письмо, о том что ваша заявка принята. Статусы заказа можете отслеживать в личном кабинете.

Доставка инструмента Подшипниковый узел UCP204 TECHNIX

Заказанный в нашей компании инструмент доставляется практически в любой город России с помощью транспортных компаний. Подробнее о доставке.

Оплата возможна через:

Оплата картой
Оплата по счету
Оплата по QR-коду
Похожие товары
Подшипниковый узел UCP205 TECHNIX
Предпросмотр
Подшипниковый узел UCP206 TECHNIX
Предпросмотр
Подшипниковый узел UCP207 TECHNIX
Предпросмотр
Подшипниковый узел UCP208 TECHNIX
Предпросмотр
Подшипниковый узел UCP209 TECHNIX
Предпросмотр
Подшипниковый узел UCP211 TECHNIX
Предпросмотр
Подшипниковый узел UCP212 TECHNIX
Предпросмотр
Подшипниковый узел UCP213 TECHNIX
Предпросмотр
Подшипниковый узел UCP214 TECHNIX
Предпросмотр
7 214.00
Срок 30 дней
Подшипниковый узел UCP214 TECHNIX
128781
Подшипниковый узел UCP216 TECHNIX
Предпросмотр
Подшипниковый узел UCP210 TECHNIX
Предпросмотр
2 553.00
Нет на складе
Подшипниковый узел UCP210 TECHNIX
128596
Подшипниковый узел UCP215 TECHNIX
Предпросмотр
7 947.00
Нет на складе
Подшипниковый узел UCP215 TECHNIX
128704
Подшипниковый узел UCP218 TECHNIX
Предпросмотр
13 676.00
Нет на складе
Подшипниковый узел UCP218 TECHNIX
128672
Хочу заказать
Фото товара Подшипниковый узел UCP204 TECHNIX
Подшипниковый узел UCP204 TECHNIX
Код товара
128575
Вес
610 г
-
+
1 005.00
1 005.00 ₽ / шт
Ваш отзыв на товар
О чем написать?

О чем написать в отзыве?

  • Почему вам понравился или не понравился товар
  • Выполняет ли он заявленные функции
  • Стоит ли товар своих денег
  • Как вы применяете товар
  • Столкнулись ли вы с проблемами при эксплуатации
Фото товара Подшипниковый узел UCP204 TECHNIX
Подшипниковый узел UCP204 TECHNIX
Код товара
128575
Вес
610 г
Ваша оценка
Фон формы подбора инструмента
Не нашли нужной позиции в каталоге?
Мы готовы изготовить и поставить уникальные виды инструмента специально под ваш заказ!
Брянск
Войти или зарегистрироваться
Быстрая заявка
Успешно
Ваш запрос отправлен.
Покупайте через корзину сайта:
Бесплатная доставка
1. Для организаций (до 100 кг)
2. Для физ. лиц от 4 000 р. (до 10 кг.)
Автоматический счёт на оплату
Начисление баллов
Оплата до 50% стоимости заказа
Продолжить покупки
Выбор города
Доставляем по всей России
Войти или создать профиль
Войти с Яндекс ID
ИЛИ
У меня есть пароль
Используем cookie и рекомендательные технологии, чтобы сайт был удобнее
Согласен