Ролики и державки для накатки рифлений используются при механической обработке поверхностей. Они формируют рисунок заданной формы, работают с плоскими и цилиндрическими заготовками.
Рифления делятся на прямые, сетчатые, угловые, и клетчатые. Рисунок создается при непосредственном контакте инструмента с целевой зоной. Деформацию детали по профилю ролика обеспечивает его высокая твердость.
Мы предлагаем купить ролики для накатки рифлений и комплектные державки.
В продаже ролики ГОСТ 21474-75 и ГОСТ 13062-67. Продукция соответствует DIN 403, имеет следующую классификацию.
|
Обозн. |
Исполнение |
Изображение |
Обозн. |
Исполнение |
Изображение |
|
АА |
С прямым рисунком |
АА
|
BL |
Со спиральным рисунком, закрученным влево |
BL
|
|
BR |
Со спиральным рисунком, закрученным вправо |
BR
|
GE |
С пересекающимися насечками и выступающими точками |
GE
|
|
GV |
С пересекающимися насечками под 30 градусов и вдавленными точками |
GV
|
KE |
С рисунком в клетку с выступающими точками и шипами |
KE
|
|
KV |
С рисунком в клетку с впадинами и вдавленными точками |
KV
|
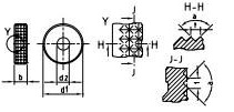
По геометрии ролики делятся на цилиндрические, конические, выпуклые, вогнутые и специальные. В наличии маркировочные решения, а также изделия с фаской и без.
Державки для рифлений используются с токарными станками. В нашем каталоге представлены наиболее популярные модели для производственных нужд.
|
Исполнение |
Изображение |
Исполнение |
Изображение |
Исполнение |
Изображение |
|
Державки для накатки рифлений однороликовые |
Державки для накатки рифлений однороликовые
|
Державки для накатки рифлений двухроликовые |
Державки для накатки рифлений двухроликовые
|
Державки для накатки рифлений с тремя парами роликов |
Державки для накатки рифлений с тремя парами роликов
|
При изготовлении оснастки используется сталь 9ХС, Х12М и ХВГ. Это гарантирует высокую твердость, устойчивость к истиранию, механической и температурной деформации. Изделия подходят для промышленного и бытового использования.
Заказанный в нашей компании инструмент доставляется практически в любой город России с помощью транспортных компаний. Подробнее о доставке.
