Токарные патроны ПКМ данной категории разработаны для надёжного закрепления единичных заготовок при их обработке на станках токарной группы, соответствующих классу точности «П». Оборудование оптимально подходит для применения в условиях крупносерийного и массового производства.
Ключевой элемент привода — механизированная система, монтируемая на хвостовую часть шпинделя станка. Конструктивное решение предусматривает возможность быстрой замены накладных кулачков.Конструктивные преимущества патронов:
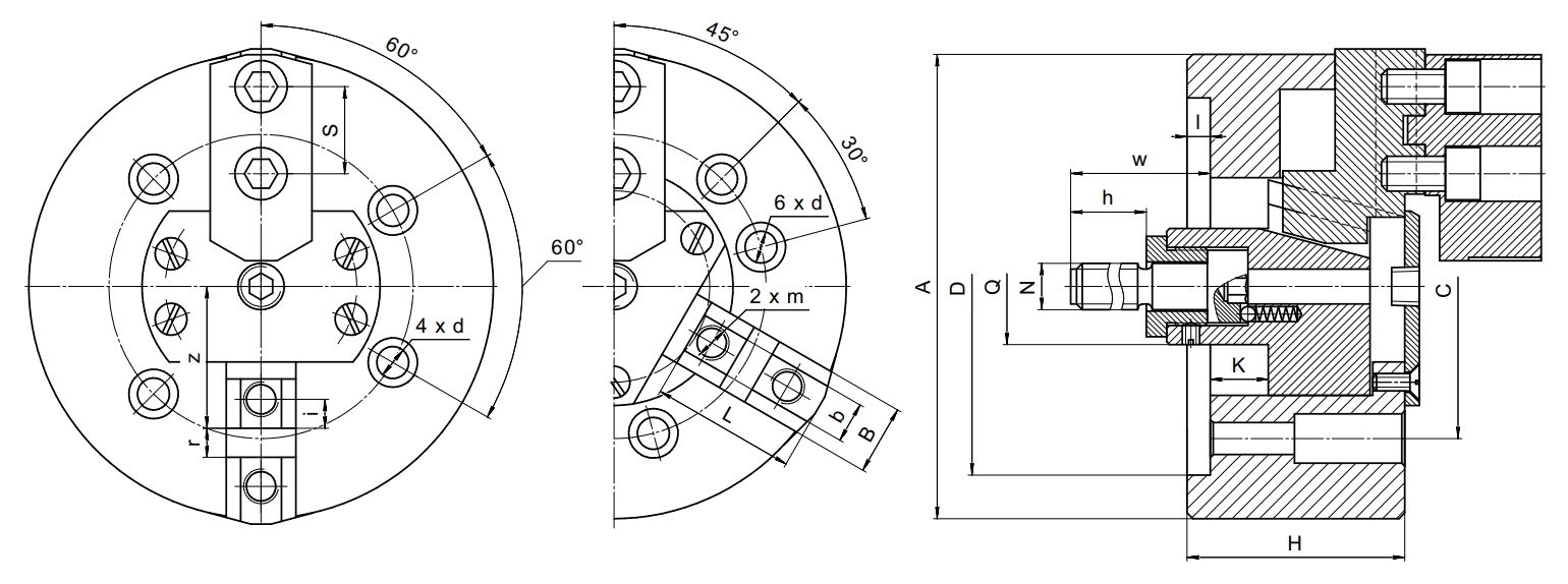
| Наименование параметров | ПКМ-125 | ПКМ-150 | ПКМ-160 | ||||
| Количество кулачков | 3 | 2 | 3 | 2 | 3 | ||
| A | мм | Ø125 | Ø150 | Ø160 | |||
| D | мм | Ø100 | Ø120 | Ø130 | |||
| I | мм | 6 | 8 | 8 | |||
| C | мм | Ø82,6 | Ø104,8 | Ø104,8 | |||
| d | мм | Ø11 | Ø11 | Ø11 | |||
| H | мм | 65 | 75 | 75 | |||
| L | мм | 40,5 | 47,5 | 50,5 | |||
| N | мм | М12 | М16 | М16 | |||
| Q | мм | Ø36 | Ø40 | Ø40 | |||
| w min | мм | 75 | 69 | 69 | |||
| w max | мм | 91 | 89 | 89 | |||
| h | мм | 55 | 55 | 55 | |||
| K | мм | 16 | 20 | 20 | |||
| B | мм | 20 | 24 | 24 | |||
| b | мм | 12 | 14 | 14 | |||
| m | мм | М10 | М12 | М12 | |||
| l | мм | 7,5 | 10 | 10 | |||
| r | мм | 8 | 10 | 10 | |||
| z | мм | 37 | 48,5 | 48,5 | |||
| S | мм | 23 | 30 | 30 | |||
Заказанный в нашей компании инструмент доставляется практически в любой город России с помощью транспортных компаний. Подробнее о доставке.


