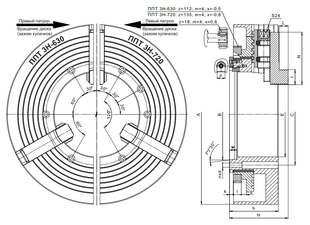
Комбинированные трехкулачковые патроны служат для надежной фиксации трубчатых изделий, цилиндрических и эксцентриковых элементов, заготовок нестандартной формы путем индивидуального позиционирования кулачков и обработки прутковых материалов на токарных станках, предназначенных для обработки труб.
Конструкция патронов предусматривает наличие регулировочных винтов, позволяющих адаптироваться под разные профили обрабатываемых заготовок. Установка осуществляется как левым, так и правым патроном на шпиндельную бабку токарного оборудования.
Привод патронов осуществляется посредством встроенного механизированного механизма станка, передающего вращение на зубчатое колесо, размещённое на задней стороне корпуса патрона.
Балансировка выполнена в строгом соответствии с классом точности G 6,3 согласно стандартам ГОСТ ИСО 1940-1.
Модель патрона ППТ 3Н-630.205 предназначена для установки на станок модели РТ783.
Модели ППТ 3Н-720.320 подходят для станков серий 1А983, СА983, с условием модификации гайки шпинделя под монтажные отверстия патрона.
Модели ППТ 3Н-720.340 совместимы со станком серии СА984, также с предварительной доработкой гайки шпинделя под крепежные отверстия патрона.
| Наименование параметров | Модель патрона | |||
| ППТ 3Н-630.205М | ППТ 3Н-720.320М | ППТ 3Н-720.340М | ||
| A | мм | Ø630 | Ø720 | Ø720 |
| B | мм | Ø285,775 | Ø345 | Ø365 |
| C | мм | Ø310 | Ø400 | Ø406 |
| E | мм | Ø205 | Ø320 | Ø340 |
| H | мм | 235,5 | 235,5 | 235,5 |
| h | мм | 195 | 195 | 195 |
| w | мм | 29 | 29 | 29 |
| nxd | мм | 6хØ17 | 9хØ17 | 9хØ17 |
| L | мм | 35,5 | 35,5 | 35,5 |
| N | мм | 210 | 210 | 200 |
| p | мм | 32 | 32 | 32 |
| k | мм | 15 | 15 | 15 |
| l | мм | 32 | 32 | 32 |
| g | мм | 20 | 20 | 20 |
Заказанный в нашей компании инструмент доставляется практически в любой город России с помощью транспортных компаний. Подробнее о доставке.


