Патроны используются для надежного закрепления и механической обработки изделий разнообразной формы, включая трубы, прутковый материал, заготовки сложной конфигурации, ассиметричные элементы, а также литые и штампованные детали на оборудовании токарного класса.
Особенности конструкции заключаются в повышенной прочности, обеспечении стабильного и мощного усилия зажима, а также возможности универсального крепления к фланцам шпинделей разных стандартов: ГОСТ 12595 (ISO 702-1; DIN 55026) и ГОСТ 12593 (ISO 702-3; DIN 55027).
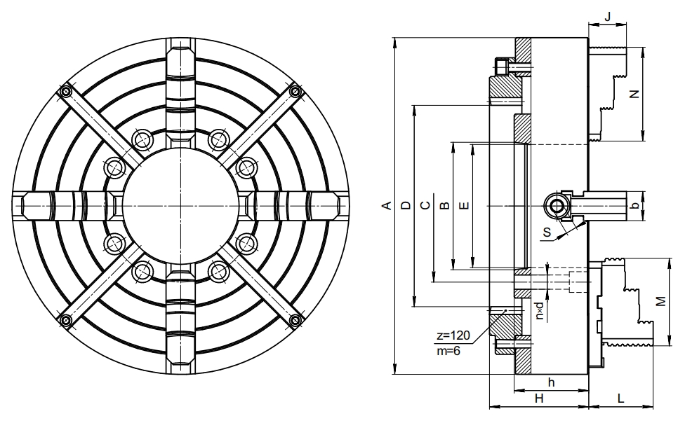
Корпус патронов изготовлен из стали и оборудован Т-образными пазами размером 22H12 по ГОСТ 1574, предназначенными для фиксации разнообразных вспомогательных элементов технологического оборудования.
Допустимая точность патронов регламентируется стандартами классов «Н» или «П» по ГОСТ 1654, а точность балансировки соответствует классу G 6,3 по ГОСТ ИСО 1940-1.
В зависимости от требований возможны два варианта исполнения патронов: с цельными или сборными кулачками (маркировка -01).
| Наименование параметров | Модель патрона | ||
| ПТ4Н-630.270 | |||
| 15 | |||
| A | мм | Ø630 | |
| B | мм | Ø285,775 | |
| C | мм | Ø330,2 | |
| E | мм | Ø270 | |
| H | мм | 135 | |
| nxd | мм | 8хØ25,5 | |
| nxm | мм | 6хМ24 | |
| J | мм | 80 | |
| N | мм | 200 | |
| L | мм | 102 | |
| M | мм | 140 | |
| b | мм | 80 | |
| S | мм | 24 | |
Заказанный в нашей компании инструмент доставляется практически в любой город России с помощью транспортных компаний. Подробнее о доставке.


