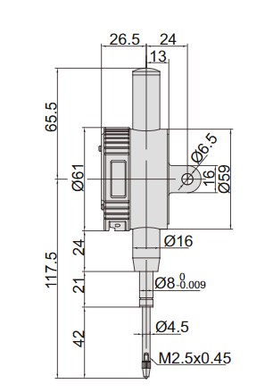
Индикаторы цифровые торговой марки INSIZE предназначены для измерений линейных размеров абсолютным и относительным методами, определения величины отклонений от заданной геометрической формы и взаимного расположения поверхностей.
Индикаторы состоят из корпуса со встроенными источником питания и кнопками, с помощью которых осуществляется ряд специальных функций.
Особенности
Заказанный в нашей компании инструмент доставляется практически в любой город России с помощью транспортных компаний. Подробнее о доставке.


