- Выполняемые операции
- Ассортимент устройств
- Основные компоненты делительной головки
- Как выполняется отсчет при делении?
- Расширение возможностей оборудования
- Преимущества использования универсальных делительных головок
- Проблемы, возможные при эксплуатации
- Рекомендации по подбору делительных головок
- Популярные вопросы о направляющих для станков
- Какие параметры УДГ являются ключевыми?
- От чего зависит цена УДГ?
- Какое обслуживание требуется УДГ?
Оборудование востребовано при производстве следующих продуктов:
- шестерни с зубцами различных размеров;
- валы со спиралевидными канавками;
- сверла и зенкеры;
- многогранные компоненты;
- детали с переменной геометрией, используемые в экспериментальных сборках.
Обрабатываемые элементы зажимаются в патрон, вращаются вокруг его оси. Это обеспечивает точное позиционирование, минимальную погрешность и оперативную обработку.
Выполняемые операции
Купить универсальную делительную головку стоит для решения следующих задач.
- Простое деление. Работа в рамках неподвижного диска. Операции по повороту выполняются за счет бокового элемента через червячную передачу. Последняя имеет прямую связь со шпинделем станка.
- Непосредственное деление. Действие осуществляется без червячных передач, предусматривает прямое использование диска.
- Дифференциальное деление. Процедура с участием поворотного рычага делительной головки и делительного диска. Для качественной настройки оборудования требуются сменные зубчатые колеса.
- Комбинированное деление. Многоуровневая процедура, предусматривающая единовременное использование головки, диска, рычага и поворотного фиксатора рукояти. Метод отличается высокой точностью, обеспечивает поворот компонентов на минимальный угол.
Возможно выполнение операций по непрерывному делению. Они предполагают прямую взаимосвязь шпинделя и винта подвижного фрезерного стола.
Ассортимент устройств
Современные производители предлагают множество универсальных делительных головок для фрезерных станков. Изделия имеют типовую маркировку, например, УДГ-40-Д250, где:
- УДГ – наименование изделия;
- 40 – передаточное число, соответствующее количеству поворотов ручки на один поворот шпинделя;
- Д250 – максимальный диаметр заготовки, с которым возможна работа.
Для решения производственных задач применяются следующие продукты.
- Универсальная делительная головка УДГ 160.
- Универсальная делительная головка УДГ 200.
- Универсальная делительная головка УДГ 250.
- Универсальная делительная головка УДГ 400.
Использование универсальных фрезерных делительных головок расширяет возможности производства, обеспечивает высокую точность выполнения операций.
Рис. 3 Комплект поставки делительной головки
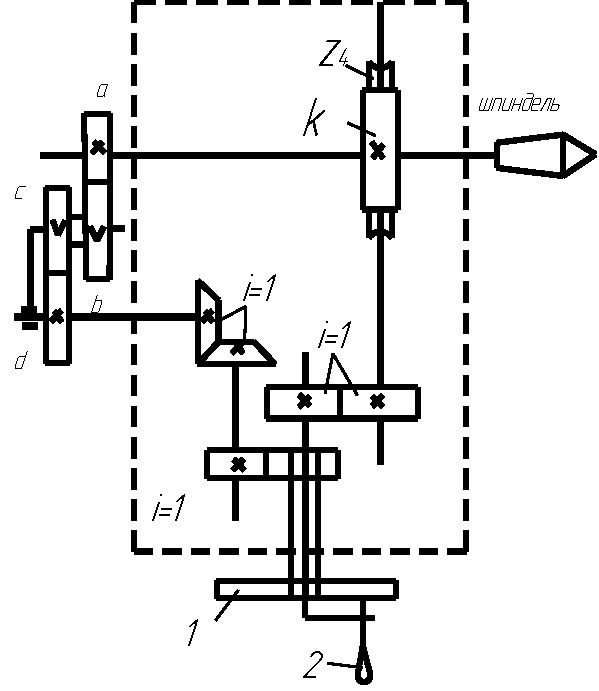
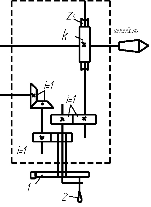
Основные компоненты делительной головки
Делительная головка станка содержит следующие компоненты.
- Патрон с установленным количеством кулачков, фиксирующий детали.
- Диск с отверстиями, расположенными на установленном удалении друг от друга. Используется для настройки угла поворота.
- Селектор, устанавливаемый в отверстия на диске.
- Рукоятка для перемещения селектора.
В тыльной части устройства предусмотрен фиксатор шпинделя.
Селектор устанавливается в выбранное отверстие за счет подпружиненного фиксатора. Элемент соответствует диаметру отверстий на диске, надежно удерживается в них. Для дополнительного перемещения компонента по вертикали опора рукояти содержит паз.
Диски делительной головки фрезерного станка являются сменными элементами. Они различаются размером и числом отверстий, подбираются в соответствии с решаемыми задачами. Каждый диск имеет числовые обозначения, облегчающие настройку.
Как выполняется отсчет при делении?
При работе с делительными головками УДГ отсчет ведется в рамках поворота селектора по заданной траектории. Предусмотрен следующий порядок действий.
|
# |
Описание |
Изображение |
# |
Описание |
Изображение |
|
1 |
Выбор траектории, по которой будет перемещаться селектор |
Выбор траектории, по которой будет перемещаться селектор
|
3 |
Перемещение селектора с установленным шагом. |
Перемещение селектора с установленным шагом
|
|
2 |
Установка селектора на первую позицию. |
Установка селектора на первую позицию
|
4 |
Перевод селектора в последнюю точку с последующим возвратом в начальное положение. |
Перевод селектора в последнюю точку с последующим возвратом в начальное положение
|
Мастера используют вспомогательные таблицы, соответствующие выбранному способу деления.
Для каждого типа деления предусмотрены определенные схемы настройки.
|
Тип деления |
Схема настройки делительной головки |
Тип деления |
Схема настройки делительной головки |
Тип деления |
Схема настройки делительной головки |
|
Простое деление |
Простое деление
|
Дифференциальное деление |
Дифференциальное деление
|
Дифференциальное деление для работы с винтовыми канавками. |
Дифференциальное деление для работы с винтовыми канавками
|
Расширение возможностей оборудования
С целью расширения функционала делительных головок для фрезерных станков используются вспомогательные приспособления.
|
Наименование |
Изображение |
Наименование |
Изображение |
|
Валик шпиндельный |
Валик шпиндельный
|
Передний центр с поводком |
Передний центр с поводком
|
|
Домкрат |
Домкрат
|
Хомут |
Хомут
|
|
Оправка консольная |
Оправка консольная
|
Плита поворотная |
Плита поворотная
|
|
Оправка центровая жесткая |
Оправка центровая жесткая
|
Приспособления подбираются индивидуально, с учетом специфики выполнения операций. Возможно использование нескольких модулей для максимальной эффективности.
Преимущества использования универсальных делительных головок
Применять универсальные делительные головки стоит по ряду причин.
- Расширяются операционные возможности оборудования.
- Снижается процент брака.
- Качество выполнение операций не зависит от сложности и размера заготовки.
- Эффективная работа с поверхностью деталей в любом положении.
Оборудование характеризуется простотой установки и эксплуатации, требует минимального обслуживания. Техника является востребованным дополнением большинства производств.
Рис. 7 Подготовка головки в производственных условиях
Проблемы, возможные при эксплуатации
При использовании делительных головок всех типов могут возникнуть проблемы. Они приводят к снижению точности операций, повреждению заготовок и преждевременному износу инструмента. При выявлении любого из нижеперечисленных дефектов стоит прекратить работу, выполнить обслуживание или ремонт оборудования.
|
Проблема |
Схематическое изображение |
Проблема |
Схематическое изображение |
|
Радиальное биение конического отверстия шпинделя. |
Радиальное биение конического отверстия шпинделя
|
Торцевое биение опорного буртика шпинделя. |
Торцевое биение опорного буртика шпинделя
|
|
Осевое биение делительной головки. |
Осевое биение делительной головки
|
Отсутствие прямого угла между основанием и осью вращения шпинделя. |
Отсутствие прямого угла между основанием и осью вращения шпинделя
|
|
Радиальное биение наружной поверхности шпинделя. |
Радиальное биение наружной поверхности шпинделя
|
Смещение оси шпинделя относительно направляющих пазов. |
Смещение оси шпинделя относительно направляющих пазов
|
|
Некорректный расчет деления. |
Некорректный расчет деления
|
Отсутствие соосности между шпинделем и задней бабкой. |
Отсутствие соосности между шпинделем и задней бабкой
|
Рекомендации по подбору делительных головок
При покупке делительных головок стоит учесть ряд факторов.
- Максимальный диаметр, на который рассчитана оснастка.
- Совместимость с оборудованием, установленным на производстве.
- Качество исполнения изделий, устойчивость к интенсивной эксплуатации.
- Удобство использования.
- Соразмерность стоимости продукции с ее возможностями.
К покупке рекомендованы головки от проверенных производителей. Продукция характеризуется высоким качеством исполнения и богатыми возможностями настройки, адаптирована под нужды современных предприятий.
Купить универсальные делительные головки на выгодных условиях поможет наш интернет-магазин. Мы предлагаем сертифицированные товары от ведущих брендов. Изделия сопровождаются полным набором документов, решают широкий спектр задач.
Для ознакомления с ассортиментом головок посетите соответствующий раздел сайта.




