Справиться с задачей помогут твердосплавные пластины для рельс и колесных пар. Они ориентированы на тяжелое точение, устойчивы к нагреву и высоким механическим нагрузкам. Кроме того, изделия обладают особыми стружколомами, повышающими эффективность труда.
|
Тип стружколома |
Эксплуатационные показатели |
Описание |
Изображение |
|
UH |
Черновая обработка с диапазоном передач от 0,5 до 1,2 мм/об. Глубина обработки – от 5 до 13 мм. |
Классическое решение для односторонних пластин. Модель имеет защитную фаску до 0,4 мм и малый передний угол. Это повышает механическую устойчивость рабочей части и упрощает эвакуацию стружки. |
S
|
|
UT |
Черновая обработка с диапазоном передач от 0,55 до 1,3 мм/об. Глубина обработки – идентична UH |
Крупный стружколом с выраженной защитной фаской и усиленной режущей кромкой. Исполнение оптимально для прерывистых операций и точения на удар, способствует беспрепятственной эвакуации стружки. |
S
|
Пластины для рельс и колесных пар расширяют сервисные интервалы, повышают эффективность и качество обработки.
Ассортимент доступных решений
Твердосплавные пластины доступны в нескольких вариациях.
|
Обозначение |
Назначение |
Фото |
Чертеж |
|
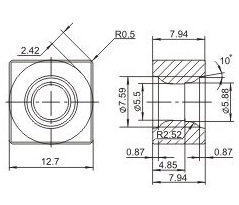
BNUX 201540 TN |
Токарная обработка при изготовлении колесных пар |
S
|
S
|
|
Токарная обработка при ремонте и восстановлении колесных пар |
S
|
S
|
|
|
R 15/1 |
Строгальная обработка боковых поверхностей ЖД рельс |
S
|
S
|
|
R 250/1 |
Строгальная обработка поверхности катания ЖД рельс |
S
|
S
|
|
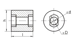
RCMM и ROUX |
Вариативная токарная обработка ЖД колес |
S
|
S
|
|
Базовая токарная обработка колесных пар |
S
|
S
|
|
|
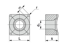
RNUX 1212 M0 TN |
Фрезерная обработка ЖД рельс |
S
|
S
|
|
RPUX |
Токарная обработка ЖД рельс |
S
|
S
|
|
SNEX 1207 AN-15H1 |
Фрезерная обработка ЖД рельс |
S
|
S
|
|
SNEX 1207 AN-H1 |
Фрезерная обработка ЖД рельс |
S
|
S
|
|
TNUN 381060 TN |
Токарная обработка ЖД колес |
S
|
S
|
|
Сверление железнодорожных рельс |
S
|
S
|
|
|
ZNGF 0507 NER |
Черновая токарная обработка легированных сталей высокой прочности |
S
|
S
|
На производстве может использоваться несколько типов оснастки, например твердосплавные пластины для сверления рельс, строгания рабочей и боковой поверхности. Перечень инструментов подбирается по ТК, корректируется при необходимости.




